• Livraison rapide
  • Livraison gratuite Ă  partir de 75 €
  • Plus de 5000 pièces en stock

Hanway RAW50 Euro 4

Hanway RAW50 Euro 4
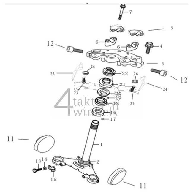
Le Hanway RAW50 est le successeur de l’AGM Caferacer. Le Caferacer est disponible depuis 2014 et de nombreux cyclomoteurs à boîte de vitesses ont été livrés aux Pays-Bas. Au fil du temps, il a été proposé en plusieurs couleurs et versions ! Les dessins sont spécifiquement axés sur le Hanway RAW50 Euro4. Ces dessins ont encore beaucoup de similitudes avec l’AGM Caferacer Base, le RAW50 Euro2 et son successeur en Euro5.

Cliquez sur le dessin pour voir la liste des pièces correspondantes.

Pièces importantes de la Hanway RAW50

La chaîne et les pignons d’une Hanway RAW s’usent assez rapidement en raison de l’absence d’un carter de chaîne fermé. C’est pourquoi nous avons presque toujours ces pièces en stock, à un prix compétitif et de bonne qualité.

Nous utilisons des cookies pour améliorer votre expérience de navigation et analyser le trafic de notre site web. En cliquant sur "Accepter", vous consentez à l'utilisation de nos cookies.