• Livraison rapide
  • Livraison gratuite Ă  partir de 75 €
  • Plus de 5000 pièces en stock

Honda C310s

Honda C310s
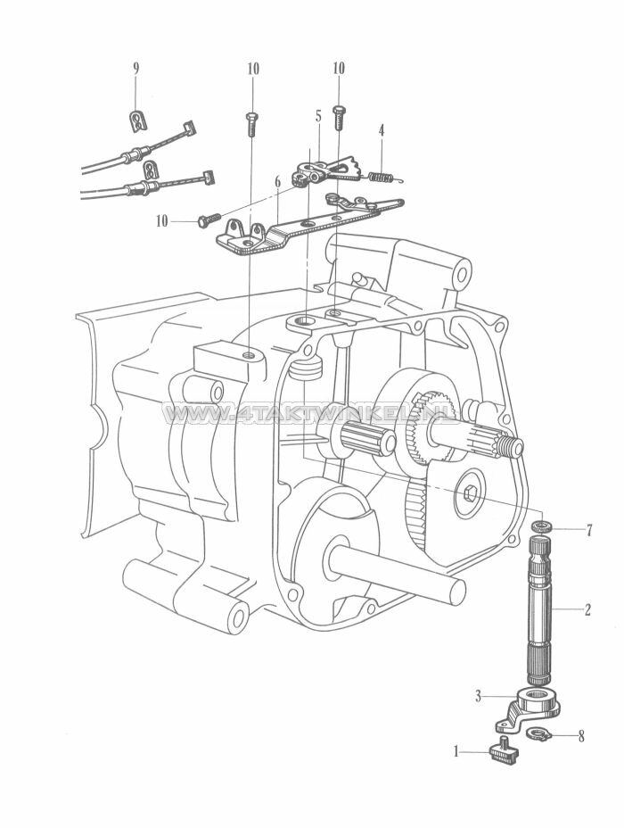
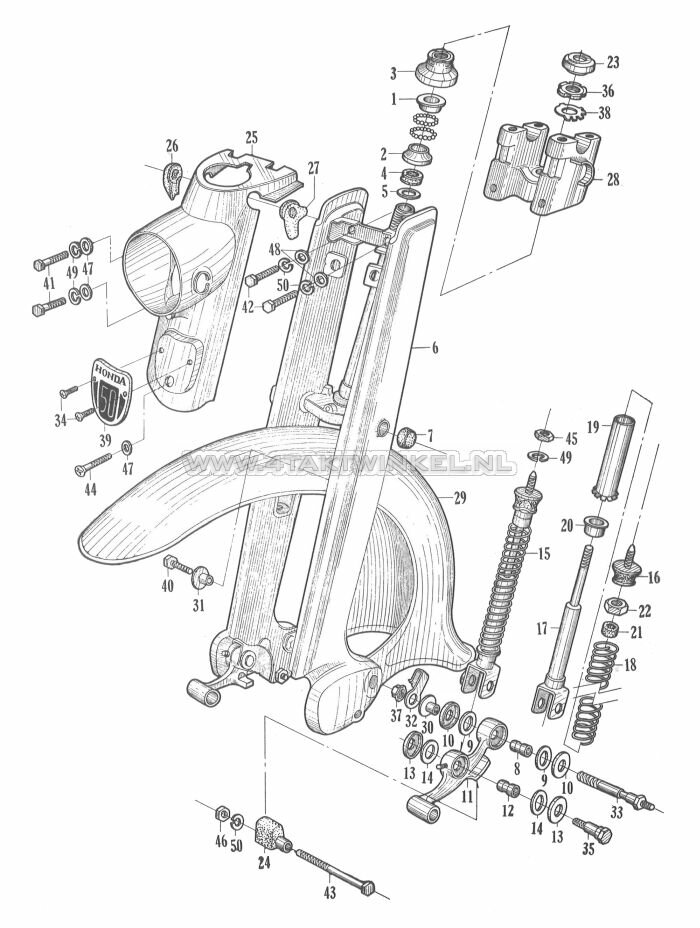
Ici, vous pouvez facilement rechercher des pièces via les dessins de la Honda C310S

La première mobylette Honda livrée aux Pays-Bas en 1963 ! Spécialement conçue pour le marché néerlandais avec des pédales, fabriquée dans une usine en Belgique. Cette liste de pièces concerne la version S, sortie en 1967, avec des soupapes inclinées sur le piston et, entre autres, un carburateur différent.

Cliquez sur le dessin pour voir la liste des pièces correspondantes.

Honda C310a

Le premier cyclomoteur Honda sur le marché néerlandais, introduit sous le nom de Honda C310a en 1963. Il a été spécialement conçu pour le marché européen et produit en Belgique. Ce modèle a causé beaucoup de confusion chez les réparateurs de vélos, car le moteur quatre temps était totalement différent des cyclomoteurs deux temps. Avec une boîte semi-automatique trois vitesses et une excellente économie de carburant, il était particulièrement apprécié des facteurs, qui l’ont acheté en grande quantité. Toutefois, il n’était pas très populaire auprès des jeunes, car les modèles deux temps dominaient encore le marché.

Honda C310s

En 1967 est arrivé le successeur du C310a : le C310s. Une conduite d’huile externe et des soupapes inclinées vers le piston, combinées à un carburateur différent, ont permis d’augmenter la puissance. Le mécanisme d’avance pouvait être facilement réglé, permettant d’atteindre des vitesses allant jusqu’à 60 km/h.

Aujourd’hui, de nombreuses pièces du C310 sont devenues rares. La protection des jambes, le feu arrière, les emblèmes de réservoir et l’échappement sont difficiles à trouver. Les pièces moteur restent disponibles, mais malheureusement, ces moteurs à poussoirs ne sont pas compatibles avec les blocs modernes du SS50 ou du C50.

Nous utilisons des cookies pour améliorer votre expérience de navigation et analyser le trafic de notre site web. En cliquant sur "Accepter", vous consentez à l'utilisation de nos cookies.