• Livraison rapide
  • Livraison gratuite Ă  partir de 75 €
  • Plus de 5000 pièces en stock

Honda Dax ST50g

Honda Dax ST50g

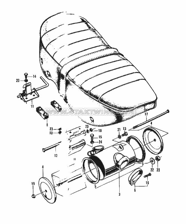
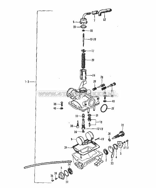
Ici, vous pouvez facilement rechercher des pièces via les dessins de la ST50 G 'Dax'

Initialement lancé sur le marché aux côtés de la Monkey en tant que prototype. Un moteur 4 temps de 49cc avec embrayage semi-automatique et roues de 10 pouces. La ST50G était destinée à l'origine au marché allemand et n'a jamais été vendue comme cyclomoteur aux Pays-Bas.

Cliquez sur le dessin pour voir la liste des pièces correspondantes.

Honda Dax

La Honda Dax est un petit cyclomoteur/moto produit par Honda. Elle a été initialement proposée en versions 50cc, 70cc et 90cc. De nombreux fabricants ont également produit des répliques en 50cc, mais aussi en 125cc.

Le nom "Dax" vient du petit chien illustré sur une Dax japonaise. Ce chien est un teckel (dachshund). Lorsque Honda a lancé la Monkey, elle était conçue pour un seul passager. Honda voulait également développer un cyclomoteur compact pouvant transporter deux personnes.

Le développement de la Dax a débuté à la fin de 1967 et le premier prototype a été présenté en 1968. Ce premier modèle avait un échappement haut, une fourche fortement inclinée et un bras oscillant fabriqué à partir de supports moteur de la Honda N360, une petite voiture Honda.

En 1969, la Dax est arrivée sur le marché. La version de production avait un phare plus grand, un nouvel échappement et un bras oscillant standard. Sa fourche avant était démontable pour faciliter le transport en voiture.

ST50Z & ST70Z

Modèle classique avec :

  • Fourche avant démontable

  • Échappement bas

  • Garde-boue argentés

ST50EZ & ST70EZ

Modèle sportif avec :

  • Garde-boue chromés

  • Échappement haut

CT70 K0

Version américaine avec :

  • Plaque de protection

  • Garde-boue avant haut

  • Pas de clignotants et fourche démontable

  • Boîte semi-automatique 3 vitesses

  • Disponible en Candy Rouge, Candy Bleu, Candy Or

CT70H

  • Disponible en Candy Orange, Candy Vert, Candy Bleu-vert

  • Boîte 4 vitesses

  • Embrayage manuel

ST50K1 & ST70K1 (Europe)

ST50G & ST70G (Allemagne)

  • Échappement haut

  • Garde-boue classiques

  • Position différente des clignotants

  • Porte-bagages en option

La Dax n'a jamais été vendue officiellement aux Pays-Bas en tant que cyclomoteur, car elle ne possédait pas de garde-boue blanc ni de pédales. Cependant, quelques modèles ont été importés en tant que motos.

ST50 & ST70 (Lady Dax / White Dax)

Édition spéciale de Honda :

  • Couleur blanche avec des stickers uniques

  • Couvre-selle spécifique

ST50 & ST70 K2 (1972)

  • Limitée à 45 km/h grâce à un volant d'inertie allégé, un petit carburateur, une admission réduite et un arbre à cames modifié

ST50 & ST70 K3 (1978)

Nouvelles couleurs :

  • Candy Rouge avec stickers Blanc, Bleu ou Noir

  • Candy Bleu avec stickers Jaune, Blanc ou Noir

  • Vert avec stickers Jaune, Blanc ou Noir

  • Orange avec stickers Jaune, Blanc ou Noir

Le Royaume-Uni a reçu une variante supplémentaire en Candy Smoke Brun.

Les derniers modèles de Dax ont été vendus en Europe vers 1980, avant d’être remplacés par la série CY.

CT70 K1 & HK1

En 1972, la CT70 K0 a été remplacée aux États-Unis par les K1 et HK1.

  • Disponible en Candy Rouge et Candy Jaune

  • Option boîte 4 vitesses avec embrayage manuel, ce qui la rend très prisée

  • Fourche avant hydraulique

  • Compteur de vitesse séparé du phare

La série ST n’a reçu des fourches hydrauliques que bien plus tard.

ST90 (1972)

Un modèle particulier dans la série Dax :

  • Moteur 90cc

  • Embrayage robuste

  • Roues 14 pouces à rayons

Bien qu’elle appartienne à la famille Dax, son échappement, sa selle et son guidon avec clignotants sont uniques à ce modèle.

CT70 K2 (1973)

  • Fourreaux de fourche protégés par du caoutchouc au lieu de métal

  • Disponible en Bleu et Orange

CT70 K3

Très proche de la K2, mais avec des clignotants ajoutés.

CT70 K4

En raison de l’inflation aux États-Unis, certaines pièces ont été modifiées.

  • Protection de bougie chromée

  • Les couleurs Candy ont été supprimées

En 1976, la réglementation a interdit la désignation K. La production a continué jusqu’en 1982, mais de plus en plus de pièces ont été remplacées par des composants en plastique. Chaque année, une seule couleur était disponible, changeant annuellement.

AB23

Dans les années 1980, la Dax a subi une grande mise à jour :

  • Passage à l’allumage CDI 12V à la place des rupteurs

  • Garde-boue chromés

  • Arbre à cames monté sur roulements

  • Fourche avant hydraulique

  • Clignotants plus grands

Disponible en Candy Rouge, Candy Bleu et Argent, avec divers choix de stickers.

AB23 (1991)

  • Moteur noir

  • Échappement noir

  • Roues blanches

  • Garde-boue colorés en Rouge, Blanc et Noir

En 1999, Honda a cessé la production de la Dax. Les droits ont été vendus à Jincheng, ce qui a entraîné l’apparition de nombreux modèles de répliques sur le marché. Cela a également conduit à une large disponibilité de pièces de réplique et de marques de tuning comme Takegawa, Kitaco et G-Craft.

Nous utilisons des cookies pour améliorer votre expérience de navigation et analyser le trafic de notre site web. En cliquant sur "Accepter", vous consentez à l'utilisation de nos cookies.