• Livraison rapide
  • Livraison gratuite Ă  partir de 75 €
  • Plus de 5000 pièces en stock

Honda Monkey Z50a K2

Honda Monkey Z50a K2
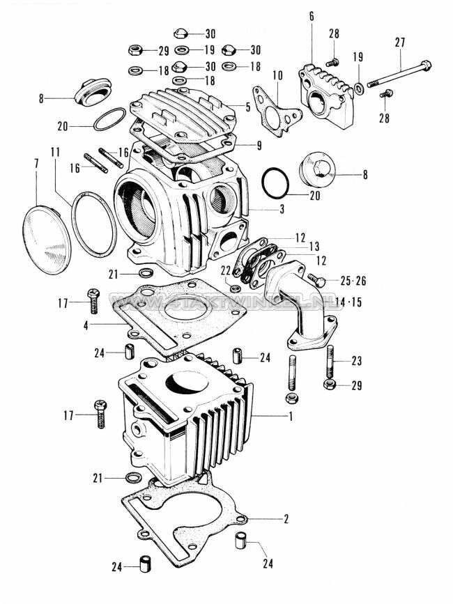
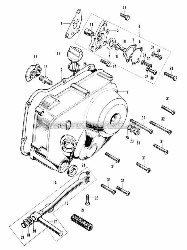
Ici, vous pouvez facilement rechercher des pièces via les dessins de la Honda Z50a K2.

La Z50a K2 se distingue par son cadre rigide, mais elle est tout de même équipée de phares à l'avant et à l'arrière.

Cliquez sur le dessin pour voir la liste des pièces correspondantes.

Honda Monkey


Foto

Le plus petit de la gamme Honda. Ce qui a commencé comme une attraction pour enfants dans un parc d'attractions en 1961 s'est transformé en une gamme complète de cyclomoteurs garantissant un sourire au conducteur mais aussi aux personnes sur le bord de la route. Introduit sous le nom de CZ100 en 1964, il a rapidement changé de nom et de modèle pour devenir le Z50M.

Foto

Le Z50M peut être grossièrement distingué en trois modèles : Le Z50M européen, qui a été exporté en Europe (France) en relativement grande quantité en 1967. Ce modèle est reconnaissable à sa selle rabattable, ses roues de 5 pouces et son grand phare de 5 pouces avec lumière jaune et échappement « lunchbox ». Le Z50M japonais avec les mêmes spécifications mais avec un phare plus petit. Le modèle général exporté, qui a été envoyé au Royaume-Uni, au Canada et en Australie avec un échappement bas différent.

 
Foto

En 1969, Honda a introduit la « deuxième génération » du Monkey ; le Z50A avec des roues de 8 pouces. Cette fois-ci également disponible aux États-Unis. Le modèle a été initialement livré sans éclairage et, dans de nombreux pays comme l'Amérique, n'avait pas de plaque d'immatriculation. Cela a été résolu en 1970. Le Z50A, en raison de son cadre rigide, souffrait beaucoup de fissures, et Honda a décidé de lancer une troisième génération en 1973.

Foto

En Europe et au Japon, ce modèle a été commercialisé sous le nom de Z50J, tandis qu'en Amérique, il a conservé le nom de Z50A Mini Trail. Le Z50J est équipé d'une suspension normale et est resté sur le marché en différentes variantes en Europe jusqu'en 1999. Entre autres, la Finlande, l'Allemagne et la France ont reçu différentes versions. Le Z50J a également été produit en version Gorilla et Monkey RT.

Foto

En 2006, Honda a introduit une édition spéciale pour célébrer le 40e anniversaire du Monkey. Il s'agit de la dernière version équipée d'un carburateur.

Foto

En 2019, Honda a lancé la version la plus récente du Monkey. Avec 125cc, une moto légère qui n'a pas été commercialisée en tant que cyclomoteur.

 

Histoire du Monkey
1961 « Monkey Z100 » est produit comme attraction pour le parc d'attractions Tama Tech. (Non destiné à la vente).
1963 Le premier véhicule commercial « Monkey CZ100 » est produit pour l'exportation.
1967 Lancement du « Monkey Z50M », le premier modèle domestique autorisé sur la voie publique. Taille des roues avant et arrière : 5 pouces.
1969 Sortie du « Monkey Z50A » avec suspension de roue avant et roues avant et arrière agrandies à 8 pouces.
1974 Sortie du « Monkey Z50J », entièrement rénové. Équipé de suspensions avant et arrière.
1978 Sortie avec réservoirs en forme de goutte et sièges plus grands.
1985 Équipé d'un nouveau moteur. Augmentation de la puissance maximale et de l'efficacité énergétique, adoption d'une transmission manuelle à 4 vitesses.
1999 Sortie conformément aux réglementations nationales sur les émissions (primaires) en raison de modifications des réglages du carburateur.
2006 « Monkey 40th Anniversary Special » lancé pour commémorer le 40e anniversaire du Monkey.
2009 Sortie pour la première fois en 30 ans, design renouvelé et performances environnementales améliorées.
2019 Un nouveau Monkey 125 est arrivé sur le marché en tant que moto légère basée sur la Honda MSX.

Nous utilisons des cookies pour améliorer votre expérience de navigation et analyser le trafic de notre site web. En cliquant sur "Accepter", vous consentez à l'utilisation de nos cookies.