• Livraison rapide
  • Livraison gratuite Ă  partir de 75 €
  • Plus de 5000 pièces en stock

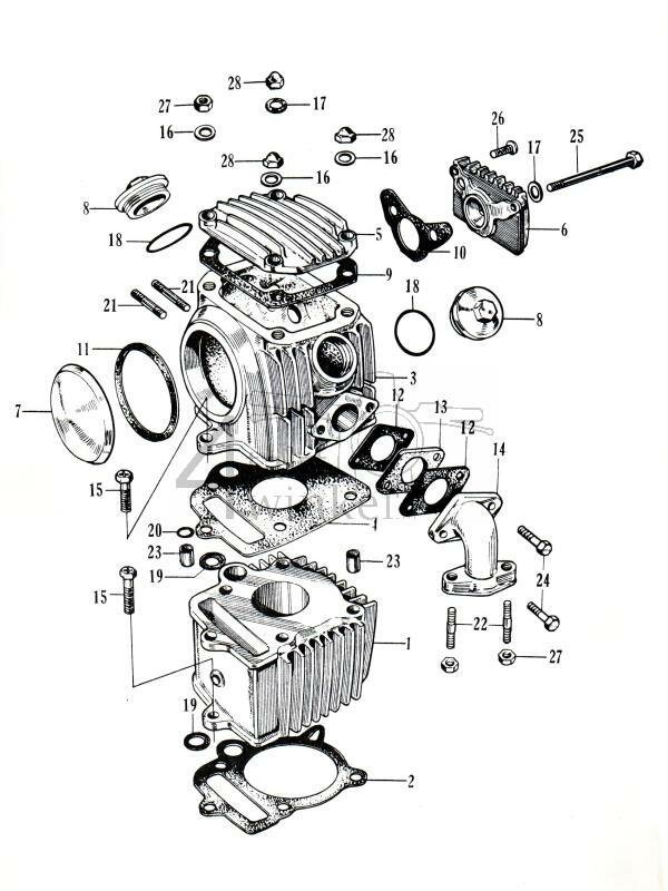
E1 - Cylinder - Cylinder Head

E1 - Cylinder - Cylinder Head
Replier Déplier