• Livraison rapide
  • Livraison gratuite Ă  partir de 75 €
  • Plus de 5000 pièces en stock
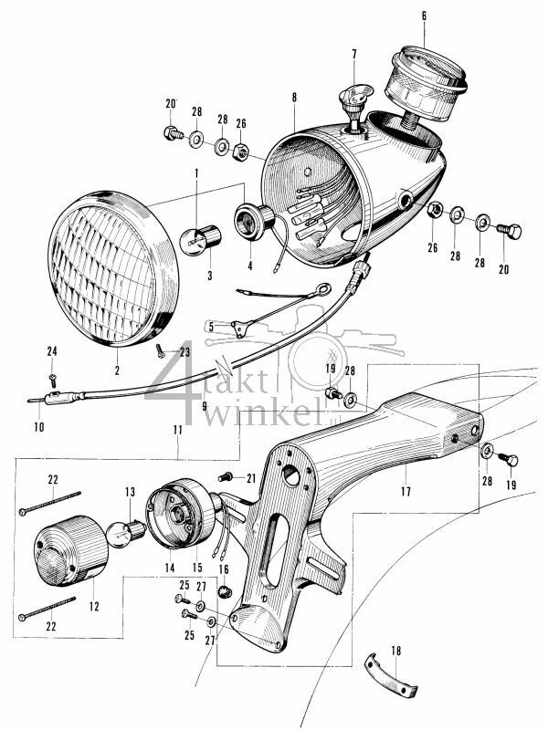
F13 - Head Light - Tail Light
Replier Déplier
Nous utilisons des cookies pour améliorer votre expérience de navigation et analyser le trafic de notre site web. En cliquant sur "Accepter", vous consentez à l'utilisation de nos cookies.