La version deluxe du SS50 !
L'édition deluxe du SS50 ! Tout comme le C50 K1 est la version deluxe du C50 ! Six types ont été publiés au total : une version allemande, une version française et une exportation générale. En plus, il y avait trois versions pour les Philippines, l'Afrique du Sud et la Malaisie.
- SS50M-D (General export)
- Frame number: SS50-176711 ~ SS50-315641
- SS50M-G (Germany)
- Frame number: SS50-194556 ~ SS50-345211
- SS50M-F (France)
- Frame number: SS50-257992 ~ SS50-334101
- SS50M-PH (Philippines)
- Frame number: SS50-175411 ~ SS50-234330
- SS50M-M (Malaysia)
- Frame number: SS50-212821 ~ SS50-242211
- SS50M-SA (South Africa)
- Frame number: SS50-236932 ~ SS50-345131
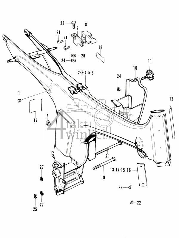
Cette liste de pièces est basée sur le SS50M-D, donc une exportation générale ! Il se distingue par son numéro de cadre, son réservoir caractéristique à cinq coins et son compteur séparé placé au-dessus du boîtier du phare ! Les versions SS50M sont toujours équipées d'un échappement mi-haut.