La Honda SS50Z K3 néerlandais
Le SS50Z K3 est le successeur de la SS50Z K1 pour les Pays-Bas. Le K0 et K2 sont plus ou moins portés pour les Pays-Bas, mais ils se produisent dans d'autres Pays.
Le K3 est livré de 1973 à environ 1978. Malgré cela, vous pouvez trouver un K3 livré plus tard. Parce que Honda est resté SS50 avec un stock résiduel à la fin des 70 ans, l'exécution anniversaire a été conçu. Ces performances jubilaires sont équipées du char Jubilée, désormais très recherché, qui est et fin de réservoir K3 jaune, orange ou vert.
Comme tous les autres cyclomoteurs de l'époque un cyclomoteur pour répondre à une série de règles néerlandais" donc l' S50 du marché néerlandais est adapté a ces règles. Le plus frappant est le dos blanc de l'aile arrière et les trappeurs.
Caractéristiques néerlandaise Honda SS50Z K3
- Le numéro du cadre commence avec SS50Z-
- Numéro de cadre après SS50Z- a toujours 7 chiffres, donc: SS50Z-1234567
- Le cadre est équipé d'un certification EN : B1220 (EN en cercle à côté)
- Installation de trappeur au lieu des repose-pieds fixes
- Plat blanc sur l'aile arrière
- Limiteur dans l'allumage à 40 km/h
- Réservoir vert avec la bande jaune
- Réservoir jaune avec la bande orange
- Réservoir vert avec la bande jaune
- Réservoir Jubilee
- Longue selle, adaptée à deux personnes
- Équipé d'une cloche (pas de claxon)
- Moteur 50cc 4-Stroke
- 4 vitesses, bas de pied commuté, main couplée
- Épuisement élevé
- 6 Volt système électrique
- Vis platinées d'allumage de Hitachi
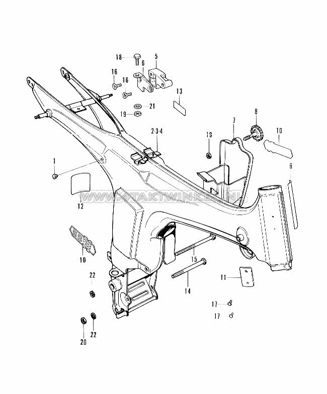
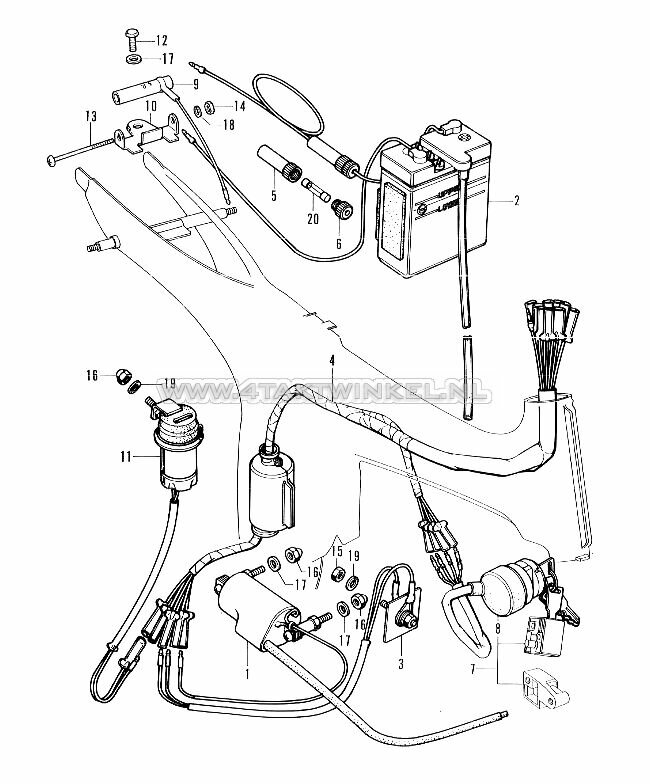
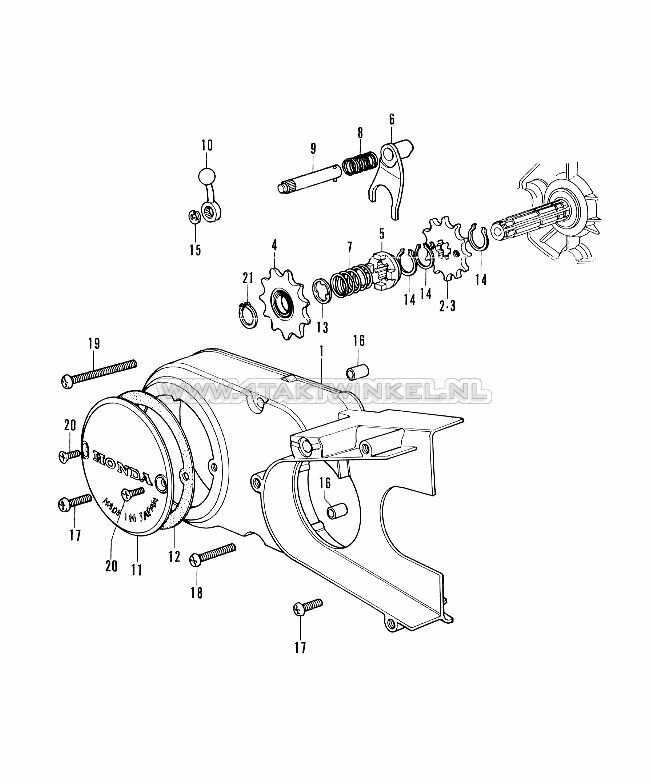
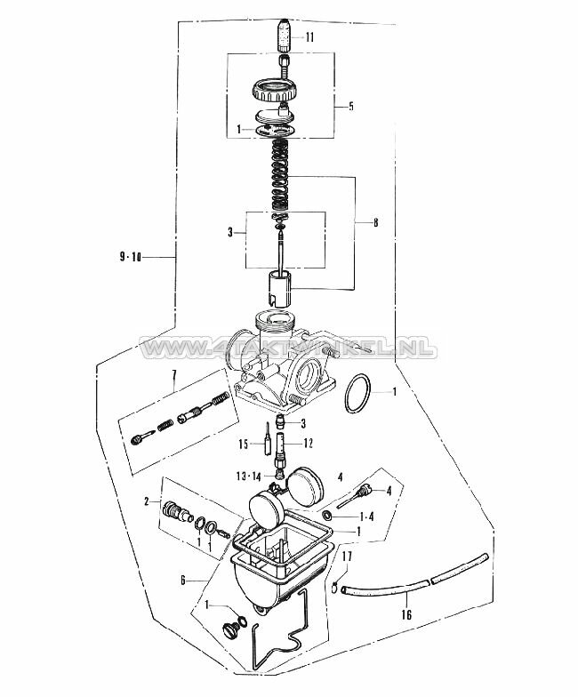
Avez-vous un SS50 néerlandais?
Ensuite, utilisez les dessins ci-dessus pour trouver les bonnes pièces et l'ordre de maintenir, réparer ou restaurer votre Honda SS50!
Vous n'avez pas encore de SS50?
Jetez un oeil entre notre gamme de
cyclomoteur usagée ou notre
importe du Japon. probablement nous avons ou trouver quelque chose de beau pour vous.