• Livraison rapide
  • Livraison gratuite Ă  partir de 75 €
  • Plus de 5000 pièces en stock

Honda Super Cub C50h NL

Honda Super Cub C50h NL

Ici, vous pouvez facilement rechercher des pièces via les dessins de la Honda C50 néerlandaise.

La version néerlandaise C50 est ce que nous appelons un vieux type (OT) C50. 
Un C50 fourni aux Pays-Bas a été obligé d'avoir des presses d'escalier, un garde-boue arrière blanc et une cloche. Il est disponible en deux couleurs : Le gris 'Elefant ' et le vert 'gazon'. Vous en savez plus ? Regardez le bas de cette page.
 
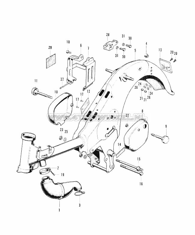
Cliquez sur le dessin pour voir la liste des pièces correspondantes.

La Honda C50 néerlandaise

La Honda C50 néerlandaise est arrivée sur le marché néerlandais dans les premières années '70.

Il est l'un des nombreux modèles que Honda a construit dans cette série de modèles. Le C50 ou aussi appelé Cub ou Supercub, est le véhicule le plus construit dans le monde! La ligne de modèle est toujours en cours d'exécution, de sorte que le nombre est toujours allumé! 
Ils sont (comme par exemple la Volkswagen Golf) fabriqués dans de très nombreuses versions différentes. Pensez aux exigences spécifiques au pays qui ont été mises en œuvre (comme a pays-bas les trappeurs, l'aile arrière blanc, etc...) mais aussi les versions moto: Le 70cc C70 et le 90cc C90 (également 110cc et 125cc sur les descendants ultérieurs tels que Honda Wave et Innova et Cub 125)

Vous pouvez diviser le type de louon à peu près en:

  • C50 OT (vieux type) Réservoir  avec boulons sur le cadre, points de contact d'allumage, 6 volts électriques
  • C50 K1, K2, K3: Réservoir encastré dans le cadre, points de contact d'allumage, 6 volts électriques
  • C50 NT (nouveau type) Réservoir encastré dans le cadre, allumage En CDI, 12 volts électriques
Mais aussi cette distribution peut être encore divisée en différents types pour
indiquer que vous n'avez qu'à dire que le C que vous possédez est ou n'est pas original, si vous savez exactement quel type de Cub vous possédez. 

Certains des prédécesseurs sont les Honda C310A et Honda C310 pour les Pays-Bas, mais le monde est en fait le C100. 
Il ya aussi de nombreuses répliques faites, tels que l'ourson SMC 50 et 110, et le Suzuki Townmate.

Caractéristiques néerlandaise Honda C50:

Ces caractéristiques s'appliquent à la Honda C50 fournie aux Pays-Bas:

  • Le numéro de trame commence par C50L ou C50H
  • Numéro de cadre après C50L ou C50H ont toujours 6 chiffres, donc: C50L-123456
  • Le cadre est équipé d'une inspection NL : B1123 ou B1108
  • Équipé de trappeurs (après tout, c'était un bourdonnement "vélo")
  • L'aile arrière est blanche
  • Est le feu arrière de la marque ULO
  • Fourni en deux couleurs: "Elefant Grey" et "Turf green"
  • Équipé d'une cloche, pas de corne
  • Système de 6 volts
  • Points de contact d'allumage Mitsubishi
  • Selle adaptée à deux personnes

Avez-vous un C50 néerlandais?

Ensuite, utilisez les dessins ci-dessus pour trouver les bonnes pièces et l'ordre de maintenir, réparer ou restaurer votre Honda C50!

Vous n'avez pas encore de C50?

Jetez un oeil entre notre gamme des cyclomoteur usagée ou notre importe du Japon.

Nous utilisons des cookies pour améliorer votre expérience de navigation et analyser le trafic de notre site web. En cliquant sur "Accepter", vous consentez à l'utilisation de nos cookies.