• Livraison rapide
  • Livraison gratuite Ă  partir de 75 €
  • Plus de 5000 pièces en stock

Comment reconnaître le Mash Fifty Euro4 ?

Le Mash Fifty Euro4 se reconnaît au bloc moteur noir, à la sonde lambda dans l'échappement et au carburateur à commande électronique.

Le Mash Fifty Euro4 était disponible en rouge et noir mat. Les deux étaient livrés avec un bloc moteur noir. Le Mash Fifty Euro 4 rouge était livré avec des jantes chromées et le noir mat avec des jantes noires.

En 2021, le Mash Fifty Euro4 a été remplacé par la variante Euro5. La variante Euro5 se caractérise par son phare à LED et son système d'injection à la place du carburateur.
 

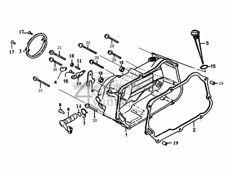
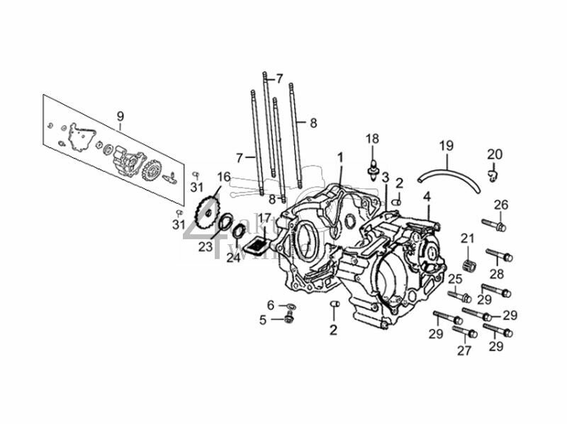
Beaucoup ont vendu des pièces pour le Mash Fifty

Les pièces les plus vendues pour le Mash Fifty sont celles utilisées pour l’entretien régulier :
  • Huile moteur semi-synthétique 10W40
  • Bougie d'allumage C7HSA de NGK
  • Chaîne et pignons
Ces pièces sont faciles à commander via les dessins de nomenclature. Ces pièces sont également souvent directement disponibles en stock.
 

Disponibilité des pièces Mash Fifty

Les pièces les plus vendues pour le Mash Fifty sont disponibles en stock. Si une pièce n'est pas en stock, elle peut souvent être livrée en quelques semaines car nous travaillons en étroite collaboration avec l'importateur de Mash aux Pays-Bas.

Nous utilisons des cookies pour améliorer votre expérience de navigation et analyser le trafic de notre site web. En cliquant sur "Accepter", vous consentez à l'utilisation de nos cookies.