• Livraison rapide
  • Livraison gratuite Ă  partir de 75 €
  • Plus de 5000 pièces en stock

Mash Seventy Euro 5

Mash Seventy Euro 5
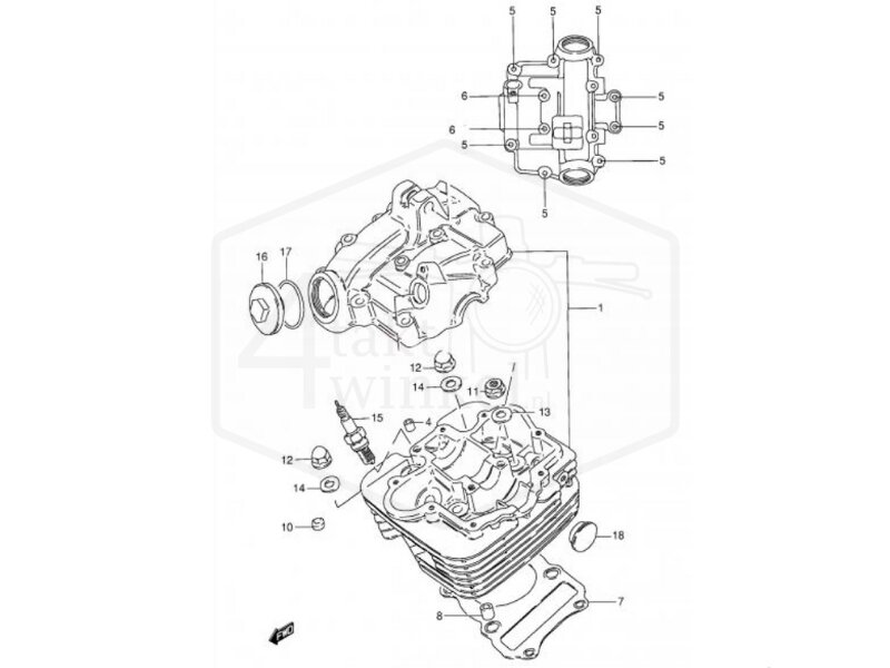
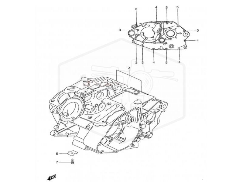
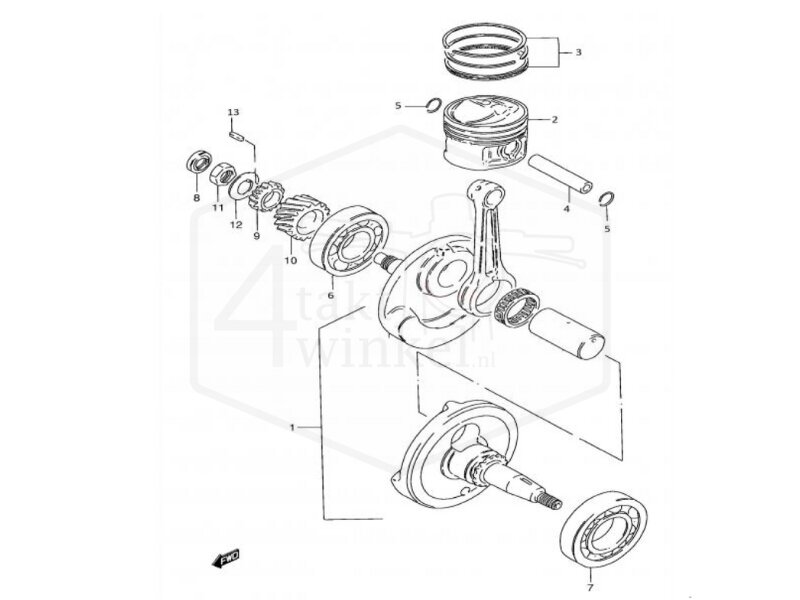
Ici, vous pouvez facilement rechercher des pièces pour la Mash Seventy 125cc Euro5 à l'aide des dessins techniques.

La Mash Seventy Euro 5 est disponible depuis 2021 et se décline en plusieurs couleurs telles que le gris métallisé, le cuivre, le noir, le blanc et le vert. Depuis son lancement, la Mash Seventy est une moto A1 très appréciée en raison de son excellent rapport qualité-prix et de ses très bonnes caractéristiques de conduite.
Nous utilisons des cookies pour améliorer votre expérience de navigation et analyser le trafic de notre site web. En cliquant sur "Accepter", vous consentez à l'utilisation de nos cookies.