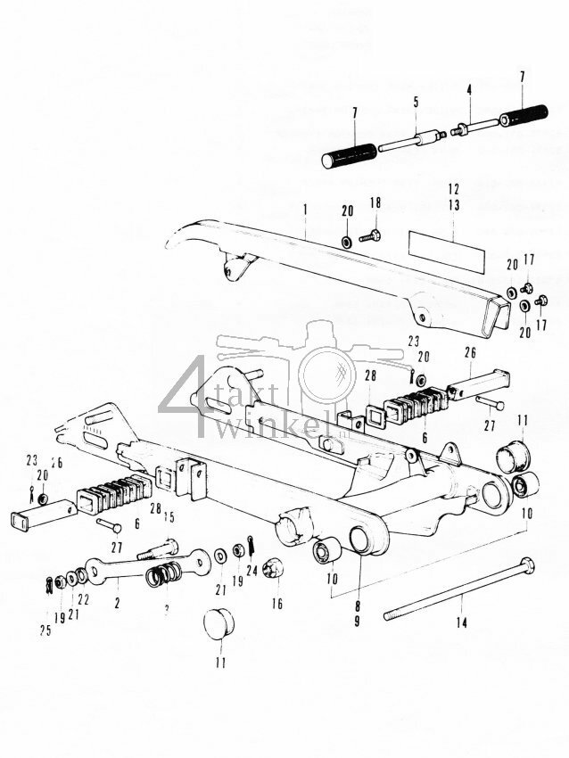
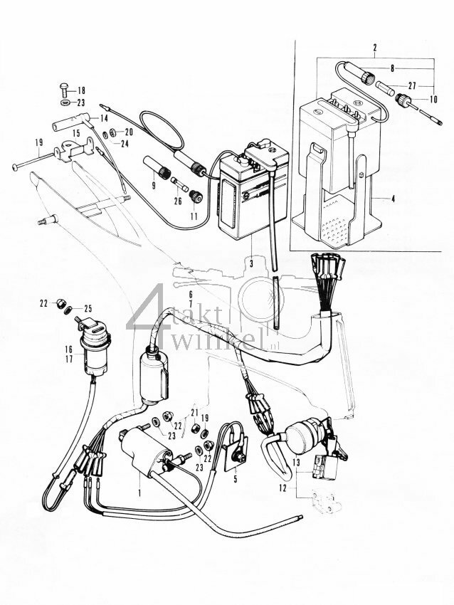
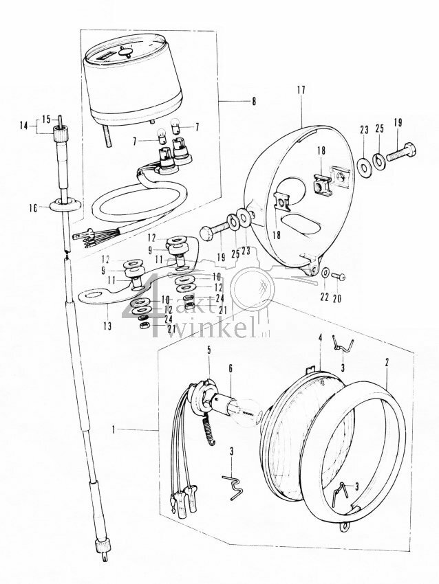
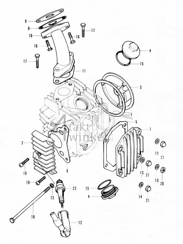
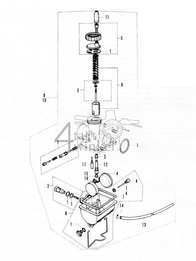
La Honda SS50ZK1
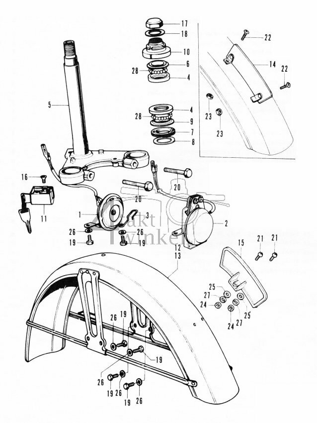
La SS50Z K1 est la première, et peut-être la plus belle, SS50 pour les Pays-Bas. Les modèles K0 et K2 ont été plus ou moins ignorés aux Pays-Bas, mais sont présents dans d'autres pays. La K1 possède un cadre gris et des couleurs candy sur le réservoir. Ce dernier est conçu sans bord et le numéro de cadre comporte six chiffres. Aux Pays-Bas, cette mobylette avait un garde-boue arrière blanc, un feu arrière ULO, une plaque jaune et des pédales. La SS50K1 a été introduite comme cyclomoteur et a été vendue aux Pays-Bas, en Belgique, en Angleterre et en France. Cependant, des versions moto (plus rapides) existent également dans des pays comme le Japon !
SS50ZK1-F (Français)
Ce modèle avait un garde-boue arrière chromé, mais cette fois, la selle avait un dosseret ! Il avait également des pédales, mais pas de plaque avant. Numéros de cadre : SS50z-205311 et plus
SS50ZK1-B (Belgique)
Cette version avait un garde-boue arrière chromé avec un feu arrière Stanley. Sinon, elle était identique à la version néerlandaise, à l'exception des pédales néerlandaises, du feu arrière ULO et de la plaque jaune distinctive. La limitation de vitesse était la même ! Numéros de cadre : SS50z-205811 et plus
SS50ZK1-H (Pays-Bas)
La SS50K1 néerlandaise avec ULO, garde-boue arrière blanc, pédales et plaque jaune. Numéros de cadre : SS50z-204801 et plus
SS50ZK1-E (Angleterre)
Ce modèle comportait un garde-boue arrière chromé, des pédales et une selle sans dosseret. Numéros de cadre : SS50z-212561 et plus
