• Livraison rapide
  • Livraison gratuite Ă  partir de 75 €
  • Plus de 5000 pièces en stock
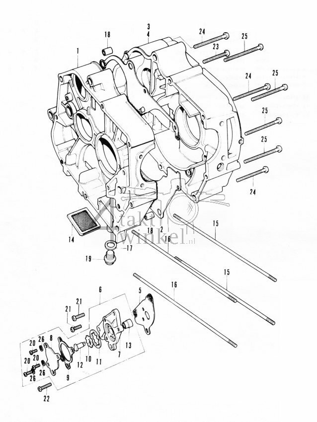
E12 - Crankcase - Oil Pump
Replier Déplier