• Livraison rapide
  • Livraison gratuite Ă  partir de 75 €
  • Plus de 5000 pièces en stock

Honda Super Cub C50c

Honda Super Cub C50c

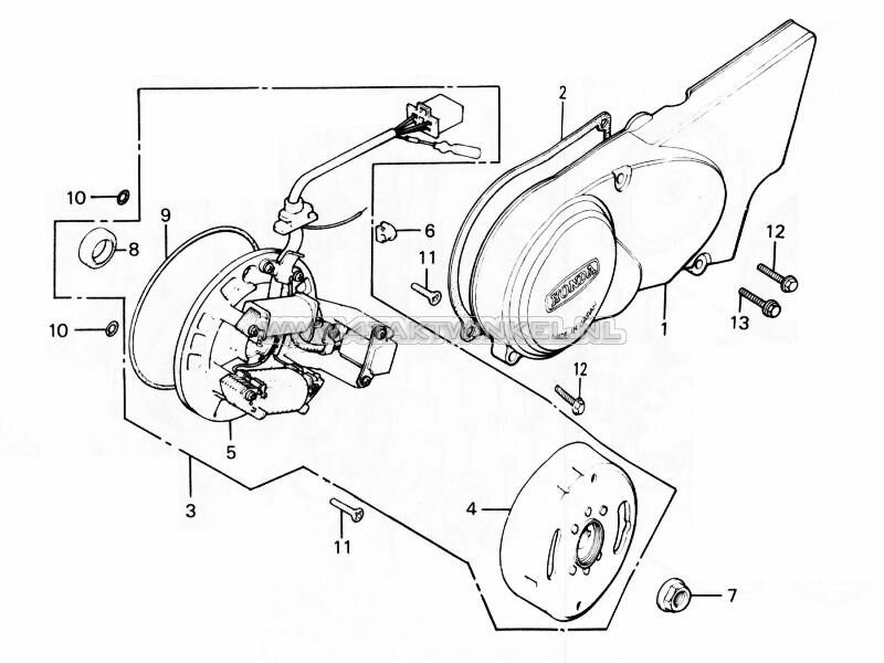
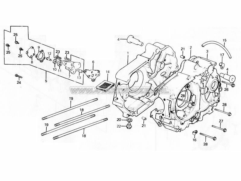
Ici, vous pouvez facilement rechercher des pièces via les dessins de la Honda C50c

Le C50c est reconnaissable par le réservoir qui est encastré dans le cadre, un moteur équipé d'allumage électronique et 3 engrenages avec couplage semi-automatique.
Le C50C n'a jamais été livré officiellement aux Pays-Bas, ils sont généralement importés du Japon ou d'Angleterre.

Cliquez sur le dessin pour voir la liste des pièces correspondantes.

La Honda C50c


La Honda C50c est entrée sur le marché dans les premières années 80.

Il est l'un des nombreux modèles que Honda a construit dans cette série de modèles. Le C50 ou aussi appelé Cub ou Supercub, est le véhicule le plus construit dans le monde! La ligne de modèle est toujours en cours d'exécution, de sorte que le nombre est toujours allumé! 
Ils sont (comme par exemple la Volkswagen Golf) fabriqués dans de très nombreuses versions différentes. Pensez aux exigences spécifiques au pays qui ont été mises en œuvre (comme dans nedeland les trappeurs, l'aile arrière blanc, etc...) mais aussi les versions moto: Le 70cc C70 et le 90cc C90 (également 110cc et 125cc sur les descendants ultérieurs tels que  Honda Wave, Innova et Cub 125)

Vous pouvez diviser le type de louon à peu près en:
  •     Réservoir C50 OT (vieux type) avec boulons sur le cadre, points de contact d'allumage, 6 volts électriques
  •     C50 K1, K2, K3: Réservoir encastré dans le cadre, points de contact d'allumage, 6 volts électriques
  •     Réservoir C50 NT (nouveau type) encastré dans le cadre, allumage En CDI, 12 volts électriques
Mais aussi cette distribution peut être encore divisée en différents types pour
indiquer que vous n'avez qu'à dire que le C que vous possédez est ou n'est pas original, si vous savez exactement quel type de Cub vous possédez.

Caractéristiques Honda C50c

Ces caractéristiques s'appliquent à la Honda C50c fournie au Japon et en Angleterre :
  •     Le numéro de trame commence avec C50
  •     Numéro de cadre a toujours 7 chiffres après C50, donc: C50-1234567
  •     Le réservoir est encastré dans le cadre
  •     Version anglaise a généralement une selle duo
  •     La version japonaise a habituellement une selle solo
  •     Fourni dans presque toutes les couleurs de l'arc-en-ciel
  •     Allumage CDI (allumage électronique)
  •     Angleterre: système de 12 volts
  •     Japon: Premier 6v Volt (mais appelé CDI), plus tard 12 volt système

Avez-vous un C50c ?

Ensuite, utilisez les dessins ci-dessus pour trouver les bonnes pièces et l'ordre de maintenir, réparer ou restaurer votre Honda C50c!

Vous n'avez pas encore de C50c ?

Jetez un oeil entre notre gamme des cyclomoteurs usagées ou notre importe du Japon.

 

Nous utilisons des cookies pour améliorer votre expérience de navigation et analyser le trafic de notre site web. En cliquant sur "Accepter", vous consentez à l'utilisation de nos cookies.